技术支持
一、地源热泵技术介绍
地源热泵符合可持续发展战略。地源热泵技术利用地下岩土体、地表水、地下水水温相对稳定的特性,通过消耗电能,在冬天把低位热源中的热量转移到需要供热或加温的地方,在夏天还可以将室内的余热转移到低位热源中,达到降温或制冷的目的。地源热泵不需要人工的冷热源,可以取代锅炉或市政管网等传统的供暖热源,冬天它从土壤、地下水或地表水中取热,向建筑物供暖;夏季它向土壤、地下水或地表水放热从而给建筑物制冷,是一种有效地利用能源的方式。
二、地源热泵系统介绍
1、土壤源系统示意图:
2、地下水(地表水)源系统示意图:
|
三、地源热泵系统的特点:节能、环保、可靠
1、节能
地源热泵的热源全年温度波动小,冬季温度比空气温度高,夏季温度比空气温度低;因此地源热泵的制热、制冷效率比普通的制热、制冷方式节能,可节省运行费用40%左右。
图例:
|
2、环保:
地源热泵系统利用取之不尽,用之不竭的地下能源,不消耗煤、油、天然气等一次性能源,从根本上实现了保护生态环境,保护了我们的地球。
3、可靠:
地源热泵的换热器在温度10—15度的地下环境中工作,不受外界环境温度变化的影响;换热器是专用的PE100管材,其使用寿命可达50年以上。
热泵机组具有高、低压,压力保护、过电流,过热保护等功能;压缩机在运行工况下稳定工作,工作负荷小,噪音低,寿命长。
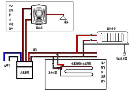
四、多种工程方案
1、水水热泵+风机盘管+生活热水
2、水水热泵+地板采暖+风机盘管+生活热水
3、传统方案:锅炉+风机盘管
五、适用范围
*别墅、住宅、会所
*学校、商场、医院
*酒店、办公楼、度假中心
*厂房、体育馆、研究机构…


